Buscador de productos
¿Qué productos son mejores para ti?
Celdas de Carga
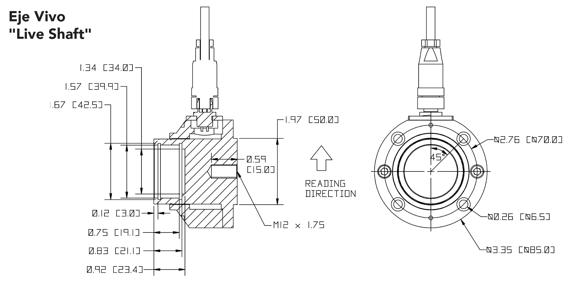
Las celdas de carga Double E Group están diseñadas utilizando un puente de Wheatstone completo montado en una viga que sostiene la copa de rodamiento de la celda de carga. La fuerza de la tensión de la película o banda se transmite a través de un rodillo loco montado en las celdas de carga. Una señal de bajo voltaje (mV) se genera proporcional a esta fuerza de tensión que luego necesita ser amplificada y/o utilizada en un controlador de tensión de lazo cerrado o dispositivo de lectura de tensión.
Celdas de Carga
![]() | ![]() |
Celda de Carga modelo LS | Celda de Carga modelo DS |
LS - 15kg, 25kg, 50kg, 100kg


DS - 25kg, 50kg, 150kg


¿Qué productos son mejores para ti?
Volver arriba