Ricerca prodotti
Quali sono i prodotti migliori per te?
Celle di Carico
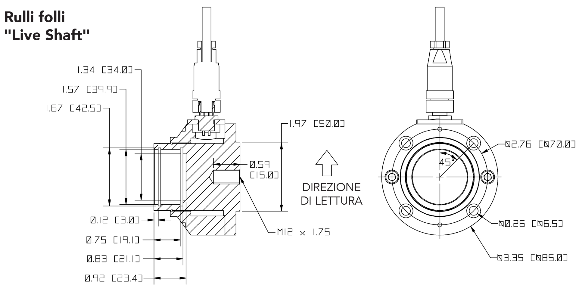
Le celle di carico Double E Group sono progettate con circuito di tipo “ponte Wheatstone completo” installato direttamente sulla tazza di supporto per l’applicazione (rullo folle). La forza applicata dal tensionamento del nastro è trasmessa al rullo folle installato sulle celle di carico. Il risultato è un segnale a bassa tensione (mV), proporzionale alla forza, che deve poi essere amplificato per l’utilizzo in un sistema di controllo tensione di tipo “closed loop” o in un altro dispositivo di lettura della tensione.
Celle di Carico
![]() | ![]() |
Cella di Carico Modello LS | Cella di Carico Modello DS |
LS - 15kg, 25kg, 50kg, 100kg


DS - 25kg, 50kg, 150kg


Quali sono i prodotti migliori per te?
Torna in cima